Welcome to jindun electronics 金盾电子官网
24小时销售热线:18119730333










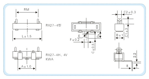
· 外形尺寸

· 降功耗曲线

· 技术说明
型号 | 额定功率 | 阻值范围 | 外形尺寸 | ||||||||||||||||||||||
| 最小值Min | 最大值Max | L | RM | C1 | C2 | A | B | C | D | E | F | Φ | |||||||||||||
| RX27-4/4H | 10.0 | R39 | 1K5 | 48.0 | 35.5~1.5 | 9 | 5 | 25 | 9.5 | 6.5 | 11.8 | 4.0 | 12 | 0.6 | |||||||||||
| RX27-4/4H/4V/KWA15 | 15.0 | R51 | 2K4 | 48.0 | 34.0~1.5 | 9 | 6/4.8 | 25 | 12.5 | 6.5 | 12.5 | 4.0 | 12 | 0.6 | |||||||||||
| RX27-4/4H/4V/KWA20 | 20.0 | R51 | 2K4 | 63.5 | 48.0~2.0 | 9 | 6/4.8 | 25 | 12.5 | 6.5 | 12.5 | 4.0 | 12 | 0.6 | |||||||||||
| RX27-4/4H/4V | 25.0 | R62 | 2K4 | 63.5 | 46.5~2.0 | 12 | 7.5/6.3 | 25 | 16 | 6.5 | 13.8 | 4.2 | 12 | 0.8 | |||||||||||
| RX27-4/4H/4V/KWA30 | 30.0 | R62 | 8K2 | 75.0 | 56.0~2.5 | 12 | 7.5/6.3 | 40 | 19 | 8 | 18 | 4.2 | 18 | 0.8 | |||||||||||
| RX27-4/4H/4V/KWA40 | 40.0 | R62 | 10K | 90.0 | 71.0~3.0 | 12 | 7.5/6.3 | 40 | 19 | 8 | 18 | 4.2 | 18 | 0.8 | |||||||||||
©版权所有 蚌埠市金盾电子有限公司 皖ICP备12010168号-1 阿里旺旺:ahjindun 企业技术QQ:2238033326 技术支持:力丰网络