Welcome to jindun electronics 金盾电子官网
24小时销售热线:18119730333










电子束焊结构,性能稳定,符合欧盟ROHS标准,
最大100A电流(0.3mΩ),电感值低于3nH,有二端及四端引线结构。
适用于大电流汽车及电流模块领域应用。
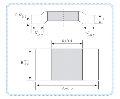
· 外形尺寸

| 型号 Type | A(mm) | B(mm) | C(mm) | 重量(g) Weight | |||||||||||||||||||||||
| BFL | 15 | 6.4 | 4.5 | 0.2 | |||||||||||||||||||||||
★备注:厚度仅供参考
· 技术说明
| 型号 Type | 负载能力 Power(W) | 标准电阻值 Standard Value (mΩ) | 精度范围 Tolerance Range | 厚度* T(mm) | 温度系数 TCR (ppm/℃) | 电阻材料 Material | 使用温度范围 Temperature Range | 内部热电阻 Internal Thermal Resistance | |||||||||||||||||||
| BFL | 0.5~5 | 0.3 | ±1 ±2 ±5 ±10 | 1.42 | ≤±50 | Mangeanin | -50℃...+170℃ | ﹤10K/W | |||||||||||||||||||
| 0.5 | 0.86 | ||||||||||||||||||||||||||
| 1 | 0.42 | ||||||||||||||||||||||||||
| 1 | 1.30 | Aluchrom | |||||||||||||||||||||||||
| 2 | 0.64 | ||||||||||||||||||||||||||
| 3 | 0.43 | ||||||||||||||||||||||||||
| 4 | 0.32 | ||||||||||||||||||||||||||
· 性能指标
| 试验项目 Test Item | 性能要求 Specifications | 试验方法 Test Methods | |||||||||||||||||||||||||
| 热冲击 Thermal Shock | <±(0.1%+0.5Ω) | -55℃/175℃,30min,5cycles | |||||||||||||||||||||||||
| 过载 Short time Over Lead | <±(0.2%+0.5Ω) | 5PR,5S | |||||||||||||||||||||||||
| 耐焊接热 Leaching | <±(0.2%+0.5Ω) | 350±10℃,3.5±0.5S | |||||||||||||||||||||||||
| 稳态湿热 Damp heat,Steady state | <±(0.2%+0.5Ω) | 40℃,RH93±3%,5sd | |||||||||||||||||||||||||
| 高频振动 Vibration | <±(0.2%+0.5Ω) | 10~2000Hz,15g,36cycles | |||||||||||||||||||||||||
| 耐久性 Load life | <±(0.2%+0.5Ω) | 70±2℃,PR,2000h | |||||||||||||||||||||||||
| 高温存放 High temperature Exposure | <±(0.2%+0.5Ω) | 175℃,250h | |||||||||||||||||||||||||
©版权所有 蚌埠市金盾电子有限公司 皖ICP备12010168号-1 阿里旺旺:ahjindun 企业技术QQ:2238033326 技术支持:力丰网络